The Herbert card was a re-engineered Sandy SuperQBoard, developed by Jochen Hassler and my late father, Herbert Kilgus (hence the name). That means it features a floppy controller, an (atari-type) mouse connector and a parallel port. Here I present a fully open source version of the board, with the layout updated by me to be HD compatible. Actually I think this is the first released QL floppy controller other than the GoldCards that is capable of supporting HD discs!

As mentioned in My QL of yore, all my hardware was hand-built. But it was already designed using CAD, namely Eagle v2, an early DOS version of the still popular Eagle CAD package (actually I dimly remember that a previous version was even laid out on a QL!). I managed to convert these 30 years old files using intermediate DOS and Windows versions of Eagle and finally imported them into the open source KiCAD suite. But this was not where my work ended:
- Even though the Eagle import works pretty well, I usually have to clean up the result a lot to meet my standards
- I updated the schematic, adding some comments to make things easier to understand
- As the boards were all hand-built many things in the CAD data were wrong, like drill diameters. I also updated some footprints to be more compatible with current parts
- I added the bypass capacitors to the design, as these were previously soldered directly to the sockets
- I fixed the board dimensions and location of the expansion bus connector. The old card was only used in connection with the MOS card and thus never had to fit into the QL
- I fixed the silkscreen as that was never used when etching PCBs manually
- The biggest change was incorporating the HD extension that Jochen thought up and included in a newer version of the schematic but which was never made into a layout
- I’ve ordered and built the board once, then fixed any remaining issues that I noticed
All in all I updated the design pretty thoroughly while trying to preserve as much as possible of my father’s layout, as a small tribute to him.



The ATR device was a special set of ROMs written by Jochen Hassler that besides the FLP device also included a device called “ATR” that could be used to read and write DOS formatted floppy discs. These ROMs are also compatible with the original Sandy SuperQBoard boards.
| Filename | Purpose |
|---|---|
| herbert_pcb_v1.1.zip | KiCAD schematics, layout and gerber files |
| sandy9.eqn | GAL16v8 equations |
| sandy9.jed | GAL16v8 JEDEC file |
| atrdev_rom_v2.17c.rom | ATRDev ROM v2.17c (16kb) |
| atrdev_rom_v2.17c_tk2_v2.23.rom | ATRDev v2.17c + TK2 ROM (32kb) |
| atrdev_rom_v2.18.rom | ATRDev v2.18 (32kb) |
| atrdev_src_v2.18.zip | ATRDev v2.18 sources |
![]()
I release the design under the Creative Commons License BY-NC-SA . This means you can use the files non-commercially and built upon them when proper attribution is given. As usual, if you find the files useful please consider donating and mention the card, I will share anything I get with Jochen, who not only did most of the hardware design but also created the ATR device software.
Great job! Just wish, I could have one.
Well you can Ralf just send the Gerbers to a boardhouse then solder the thing together,,, could do wilth some RAM on it actually like a 512KB SRAM which are so small !!
Yeah, these days I would do such a board as SMD and with a CPLD and do away with most chips 😉 Also adding RAM shouldn’t be too difficult, but this is a nostalgia thing 🙂
Hi, I’m fairly new to the QL and building boards. I’ve struggled my way through a RC2014 build and various bits and bobs for that, but this looks awesome. I’ve order the PCB to be printed, but perhaps I’m being daft, where do I get a BOM for the components?
Any help appreciated.
I generally recommend installing KiCAD, it’s free, and just load my design files. But I also added a textual BOM now to the ZIP file, enjoy 😉
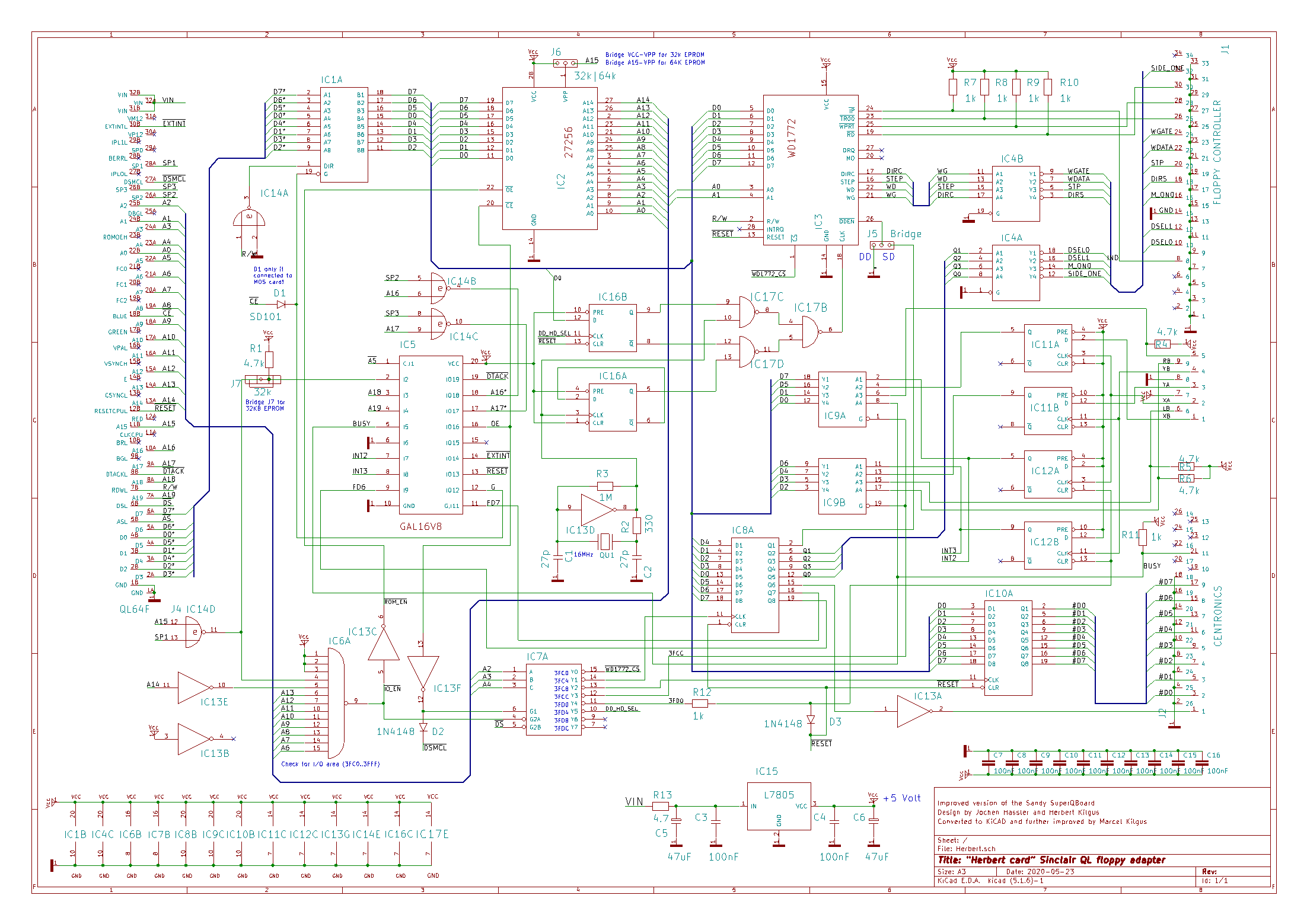
I’m curious about the HD feature. On the fuzzy circuit diagram I can just make out a HD ED label from a 3 to 8 line decoder but it doesn’t seem to be connected anywhere. And the familiar WD1772 is documented as supporting only single and double density. What am I missing?
Hi Simon!
Yeah, the picture is low-res, but you can load the schematic into the free KiCad tool to get a better look or drop the file onto https://kicanvas.org.
The label you see connects the line to IC16B, a flip-flop. The flip-flop selects whether the 16MHz clock is routed through IC17 to the WD1772 or the 8MHz variant (derived by the other flip-flop in IC16).
Officially WD1772 is not specified for 16MHz, but IIRC the 02-02 variant can handle it. It certainly works 😉
All the best, Marcel